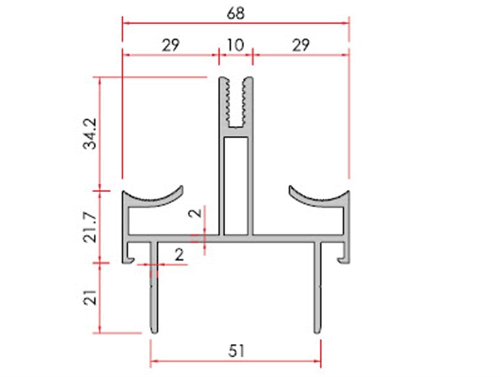
AF50 S  AF50 E  AF50  H  AF50 WIN  AF50 C  AF50 T  AF68  AF68 SKY
1
cultureSettings.RegionId: 0 cultureSettings.LanguageCode: TR